Меню
  • Главная
  • Как купить
  • Доставка
  • Оплата и гарантии
  • Скидки
  • О компании
  • Популярные товары
  • Контакты
  • Дилерам Yamaha
  • Заказать звонок
  • Авторизация
  • Регистрация
Соц. сети
  • Поиск по названию
  • Поиск по номеру
  • Поиск по списку
+8 (800) 250-02-27 Бесплатный звонок по России
Каталог запчастей
Гидроциклы
Подвесные моторы
Снегоходы
Квадроциклы
Мотоциклы
Одежда и экипировка
Снегоуборщики
Генераторы
Товары Yamaha
Раритет
  • Как купить
  • Доставка
  • Оплата и гарантии
  • Скидки
  • О компании
  • Популярные товары
  • Контакты
  • Дилерам Yamaha
  • Заказать звонок
  • Авторизация
  • Регистрация
Бесплатная
доставка по России
До бесплатной доставки
Почтой России 12000 Р
+8 (800) 250-02-27 Бесплатный звонок по России
Поиск по
названию
Поиск по списку
Примеры номеров:
4VPE54110033, 94701-00410
Поиск по
номеру
Гидроциклы
Подвесные моторы
Снегоходы
Квадроциклы
Мотоциклы
Одежда и экипировка
Снегоуборщики
Генераторы
Товары Yamaha
Раритет
logo
Главная > Мотоциклы > GPD (N-Max) > GPD155 (2022)

Мотоциклы, GPD (N-Max), GPD155 (2022)

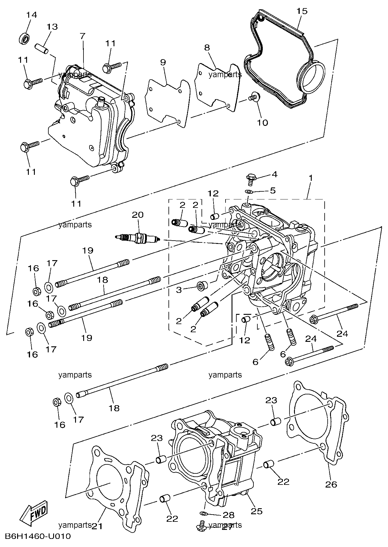
Головка цилиндра, цилиндр

Головка цилиндра, цилиндр

Вал коленчатый, поршень

Вал коленчатый, поршень

Клапана

Клапана

Распредвал, цепь

Распредвал, цепь

Помпа охлаждения

Помпа охлаждения

Радиатор, детали охлаждения

Радиатор, детали охлаждения

Насос масляный

Насос масляный

Детали впуска, фильтр воздушный

Детали впуска, фильтр воздушный

Детали выхлопа

Детали выхлопа

Картер

Картер

Крышки картера

Крышки картера

Сцепление, вариатор, ремень

Сцепление, вариатор, ремень

Рама

Рама

Крылья, накладные детали

Крылья, накладные детали

Пластик обвеса

Пластик обвеса

Подвеска задняя, амортизаторы

Подвеска задняя, амортизаторы

Траверса

Траверса

Вилка передняя

Вилка передняя

Бак топливный

Бак топливный

Сиденье

Сиденье

Колесо переднее

Колесо переднее

Тормоз передний

Тормоз передний

Колесо заднее

Колесо заднее

Тормоз задний

Тормоз задний

Руль, ручки, тросики

Руль, ручки, тросики

Цилиндр тормозной главный

Цилиндр тормозной главный

Подножки, подставка, панели передние

Подножки, подставка, панели передние

Пластик обвеса передний

Пластик обвеса передний

Ветровое стекло, обтекатель

Ветровое стекло, обтекатель

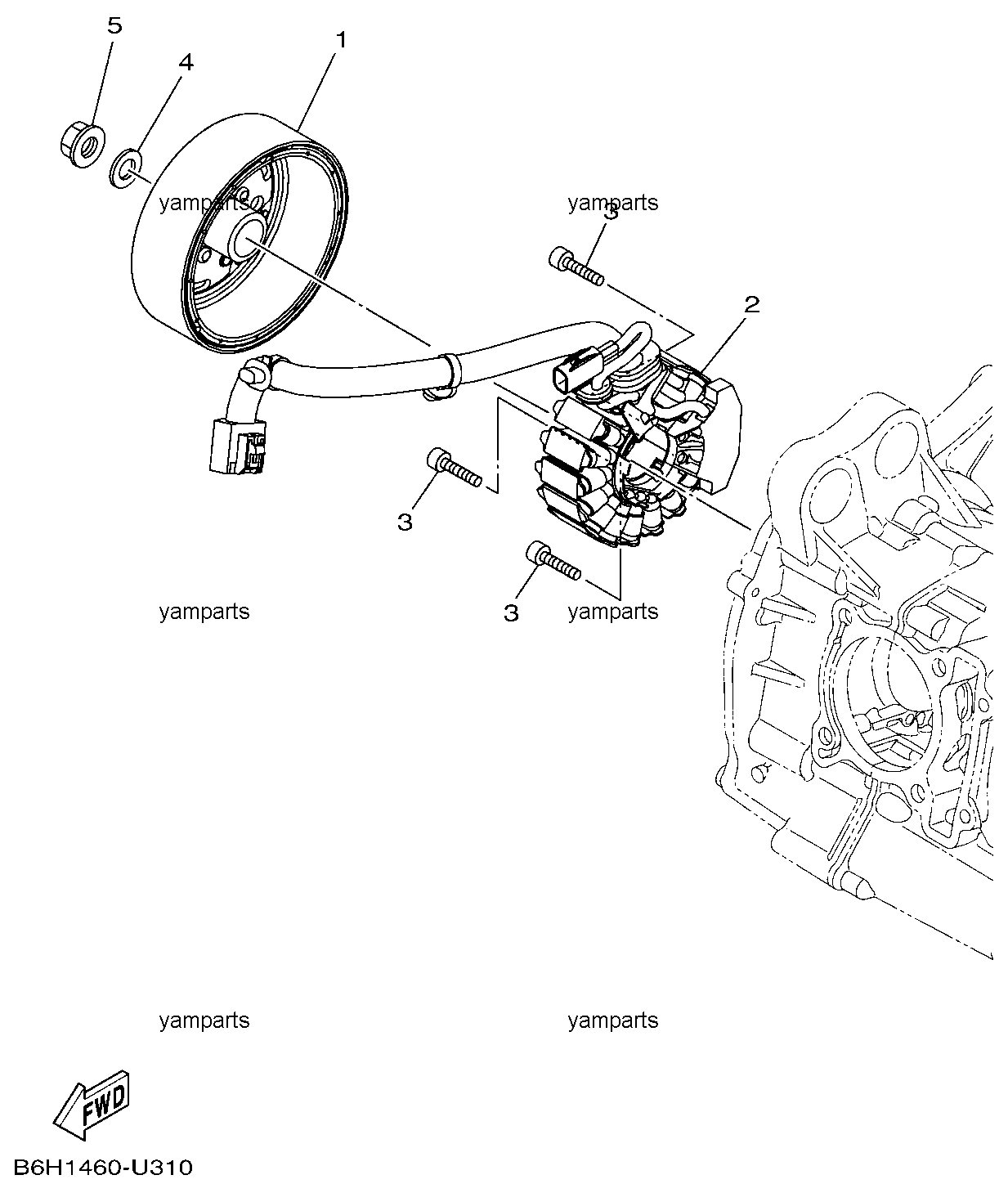
Маховик, статор

Маховик, статор

Поворотники

Поворотники

Спидометр

Спидометр

Фара

Фара

Фонарь задний (сигнал "стоп")

Фонарь задний (сигнал "стоп")

Детали на руле

Детали на руле

Детали электрические 1

Детали электрические 1

Детали электрические 2

Детали электрические 2

АБС

АБС
© 2012-2026 YamParts
+8 (800) 250-02-27 Справочный центр Бесплатный звонок по России
Политика конфиденциальности
Бесплатная доставка по России
До бесплатной доставки
Почтой России 12000 Р
Запасные части Tohatsu
на сайте www.thparts.ru