Меню
  • Главная
  • Как купить
  • Доставка
  • Оплата и гарантии
  • Скидки
  • О компании
  • Популярные товары
  • Контакты
  • Дилерам Yamaha
  • Авторизация
  • Регистрация
Соц. сети
  • Поиск по названию
  • Поиск по номеру
  • Поиск по списку
+8 (800) 250-02-27 Бесплатный звонок по России
Каталог запчастей
Гидроциклы
Подвесные моторы
Снегоходы
Квадроциклы
Мотоциклы
Одежда и экипировка
Снегоуборщики
Генераторы
Товары Yamaha
Раритет
  • Как купить
  • Доставка
  • Оплата и гарантии
  • Скидки
  • О компании
  • Популярные товары
  • Контакты
  • Дилерам Yamaha
  • Авторизация
  • Регистрация
Бесплатная
доставка по России
До бесплатной доставки
Почтой России 12000 Р
+8 (800) 250-02-27 Бесплатный звонок по России
Поиск по
названию
Поиск по списку
Примеры номеров:
4VPE54110033, 94701-00410
Поиск по
номеру
Гидроциклы
Подвесные моторы
Снегоходы
Квадроциклы
Мотоциклы
Одежда и экипировка
Снегоуборщики
Генераторы
Товары Yamaha
Раритет
logo
Главная > Подвесные моторы > 8 л/с > FT8G (2024)

Подвесные моторы, 8 л/с, FT8G (2024)

Справочные данные FT8G

Детали для плановой замены

Детали для плановой замены

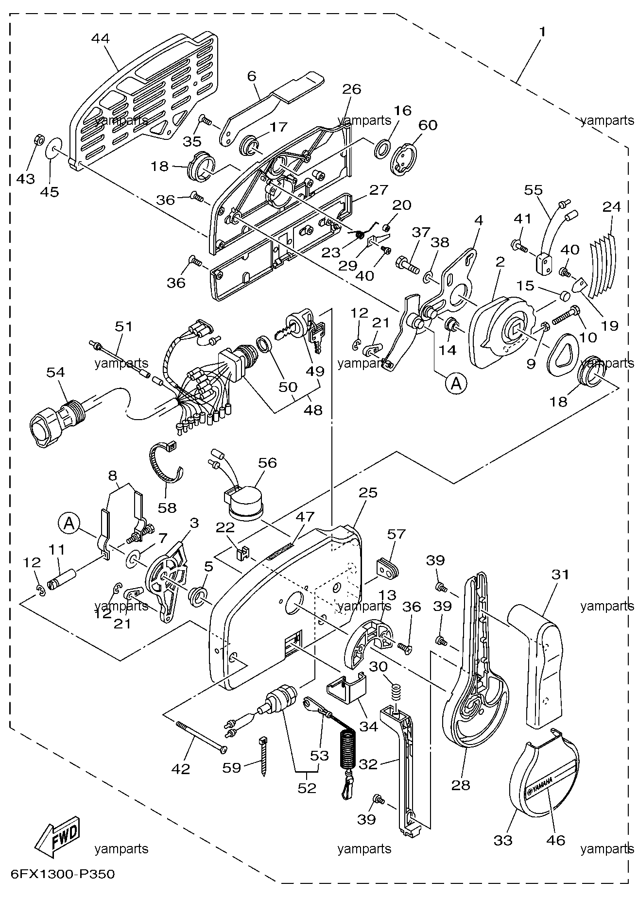
Капот

Капот

Мотоголовка, блок цилиндров

Мотоголовка, блок цилиндров

Вал коленчатый, поршни

Вал коленчатый, поршни

Головка блока цилиндров

Головка блока цилиндров

Клапаны головки

Клапаны головки

Детали впуска

Детали впуска

Карбюратор

Карбюратор

Вал распределительный, ремень

Вал распределительный, ремень

Насос топливный, фильтр

Насос топливный, фильтр

Стартер ручной

Стартер ручной

Маховик, катушки

Маховик, катушки

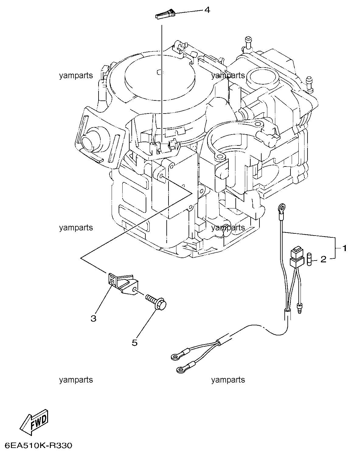
Детали электрические 1

Детали электрические 1

Детали электрические 2 (E)

Детали электрические 2 (E)

Детали электрические 3 (EP)

Детали электрические 3 (EP)

Кнопка остановки двигателя (МН)

Кнопка остановки двигателя (МН)

Стартер электрический

Стартер электрический

Поддон

Поддон

Румпель

Румпель

Регулятор усилия поворота

Регулятор усилия поворота

Детали управления внутренние

Детали управления внутренние

Детали управления (E, EP)

Детали управления (E, EP)

Детали для подключения ДУ (MH)

Детали для подключения ДУ (MH)

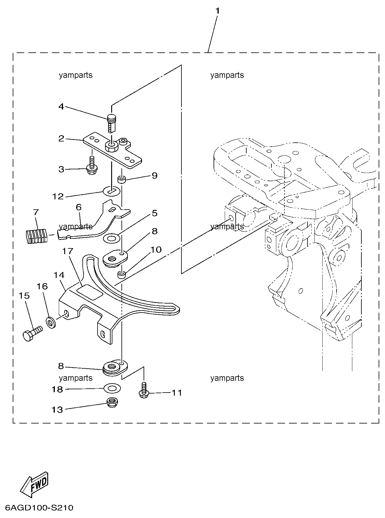
Подвеска двигателя (MH, E)

Подвеска двигателя (MH, E)

Подвеска двигателя (EP)

Подвеска двигателя (EP)

Подвеска двигателя (ось поворота)

Подвеска двигателя (ось поворота)

Электрогидравлика

Электрогидравлика

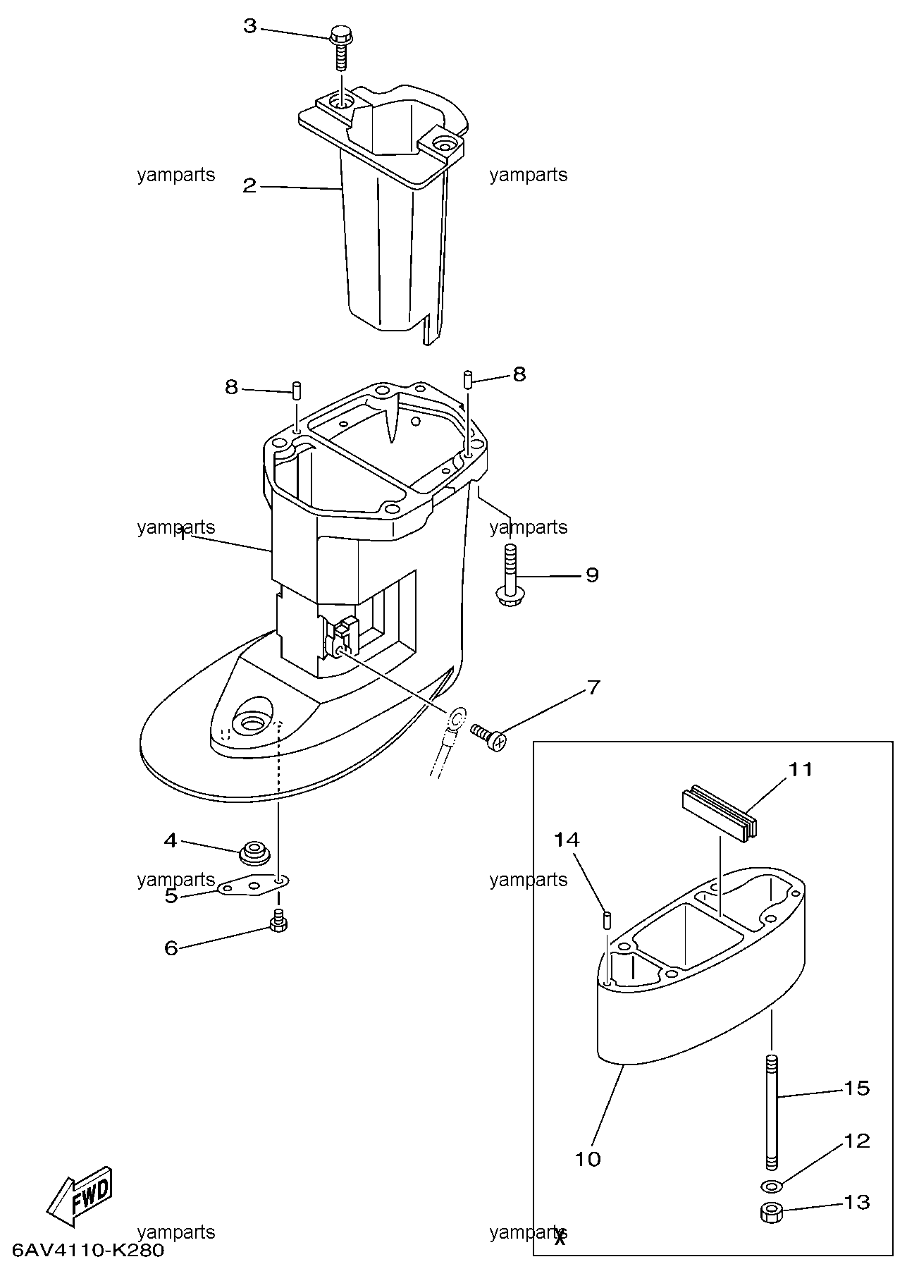
Дейдвуд

Дейдвуд

Маслосборник

Маслосборник

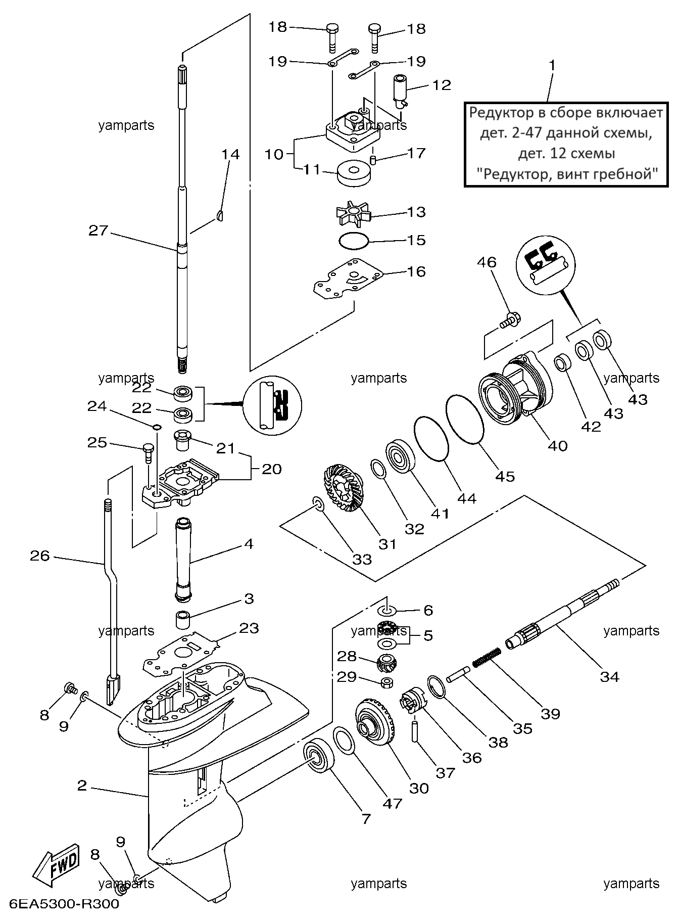
Редуктор

Редуктор

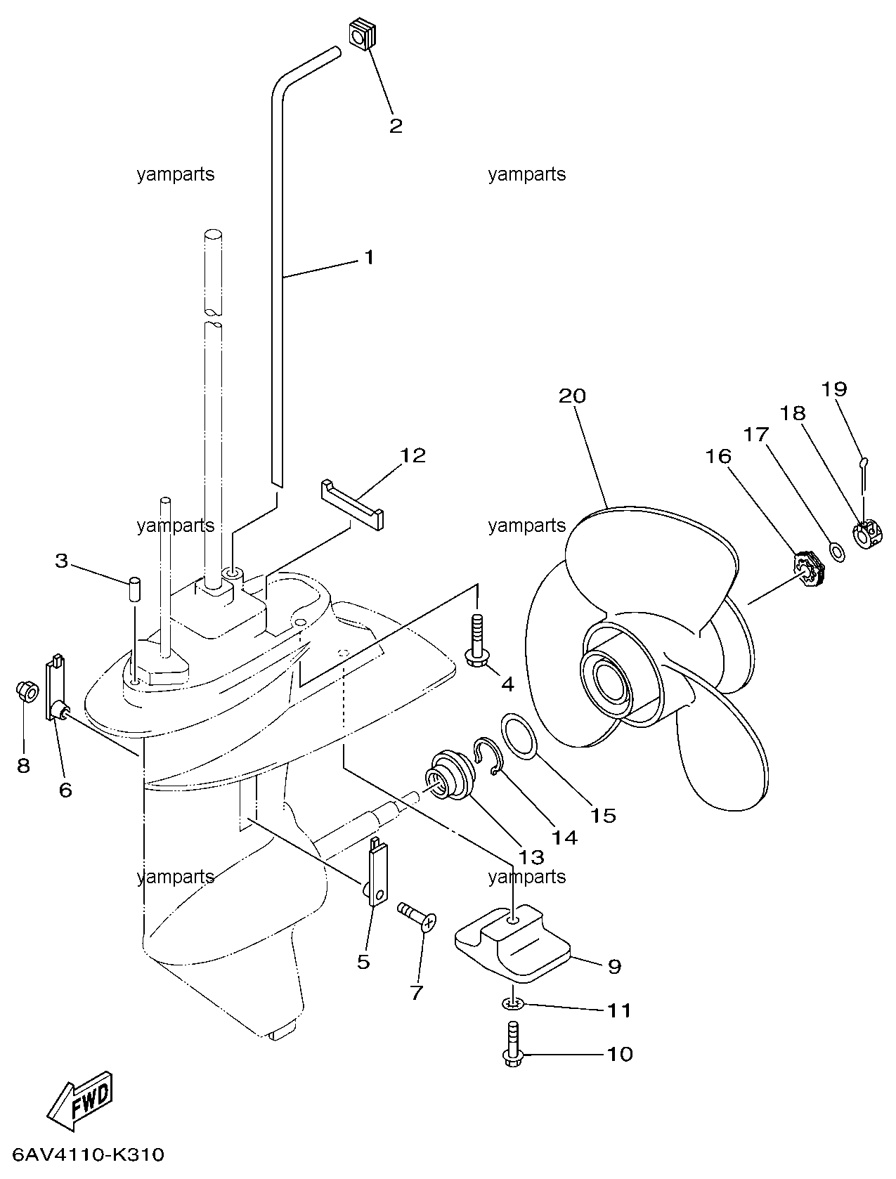
Редуктор, винт гребной

Редуктор, винт гребной

Бак топливный

Бак топливный

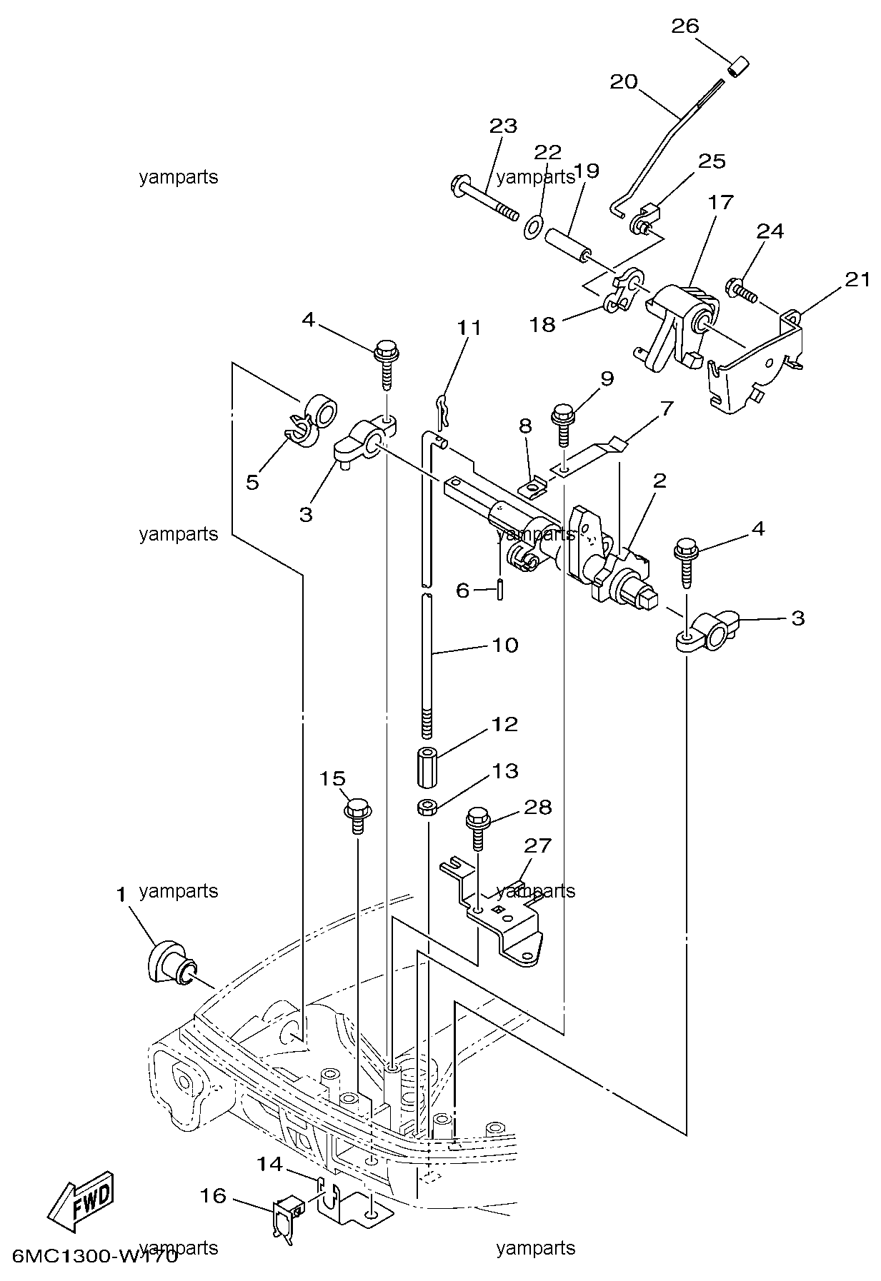
Тяга рулевая (MH, E, EP)

Тяга рулевая (MH, E, EP)

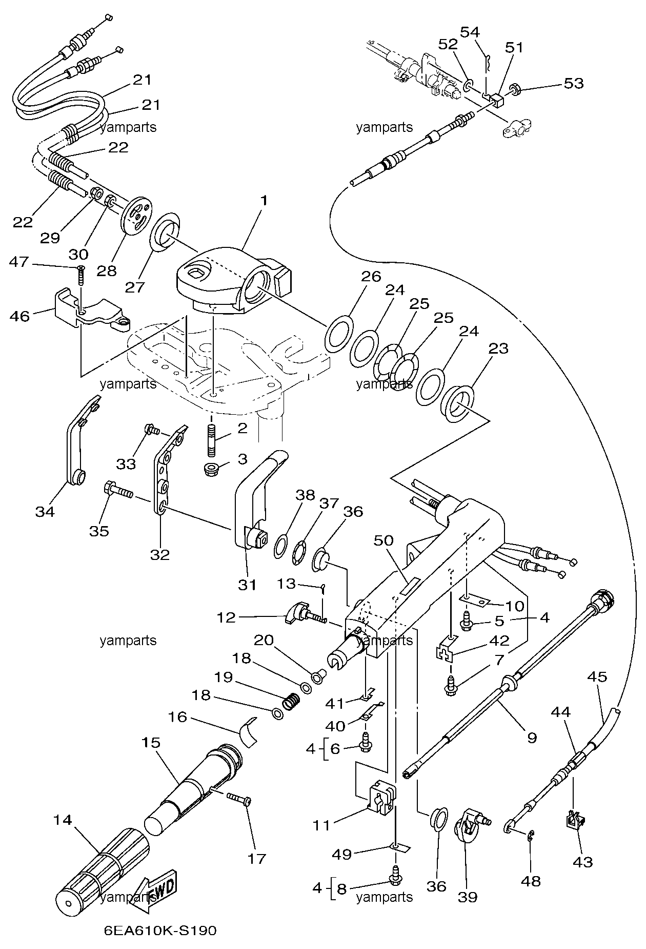
Управление дистанционное

Управление дистанционное

Управление дистанционное 703 (детальная схема)

Управление дистанционное 703 (детальная схема)

Управление дистанционное 703 (10P, детальная схема)

Управление дистанционное 703 (10P,  детальная схема)

Стартер электрический (комплект для установки)

Стартер электрический (комплект для установки)

Предохранитель (опционально)

Предохранитель (опционально)

Реле-регулятор (опционально)

Реле-регулятор (опционально)

Комплект ремонтный (мотора)

Комплект ремонтный (мотора)

Комплект ремонтный (карбюратора)

Комплект ремонтный (карбюратора)

Комплекты ремонтные (редуктора и помпы)

Комплекты ремонтные (редуктора и помпы)
© 2012-2025 YamParts
+8 (800) 250-02-27 Справочный центр Бесплатный звонок по России
Политика конфиденциальности
Бесплатная доставка по России
До бесплатной доставки
Почтой России 12000 Р
Запасные части Tohatsu
на сайте www.thparts.ru