Меню
  • Главная
  • Как купить
  • Доставка
  • Оплата и гарантии
  • Скидки
  • О компании
  • Популярные товары
  • Контакты
  • Дилерам Yamaha
  • Авторизация
  • Регистрация
Соц. сети
  • Поиск по названию
  • Поиск по номеру
  • Поиск по списку
+8 (800) 250-02-27 Бесплатный звонок по России
Каталог запчастей
Гидроциклы
Подвесные моторы
Снегоходы
Квадроциклы
Мотоциклы
Одежда и экипировка
Снегоуборщики
Генераторы
Товары Yamaha
Раритет
  • Как купить
  • Доставка
  • Оплата и гарантии
  • Скидки
  • О компании
  • Популярные товары
  • Контакты
  • Дилерам Yamaha
  • Авторизация
  • Регистрация
Бесплатная
доставка по России
До бесплатной доставки
Почтой России 12000 Р
+8 (800) 250-02-27 Бесплатный звонок по России
Поиск по
названию
Поиск по списку
Примеры номеров:
4VPE54110033, 94701-00410
Поиск по
номеру
Гидроциклы
Подвесные моторы
Снегоходы
Квадроциклы
Мотоциклы
Одежда и экипировка
Снегоуборщики
Генераторы
Товары Yamaha
Раритет
logo
Главная > Квадроциклы > Wolverine > Wolverine 1000 (2024)

Квадроциклы, Wolverine, Wolverine 1000 (2024)

Справочные данные Wolverine 1000

Детали для плановой замены

Детали для плановой замены

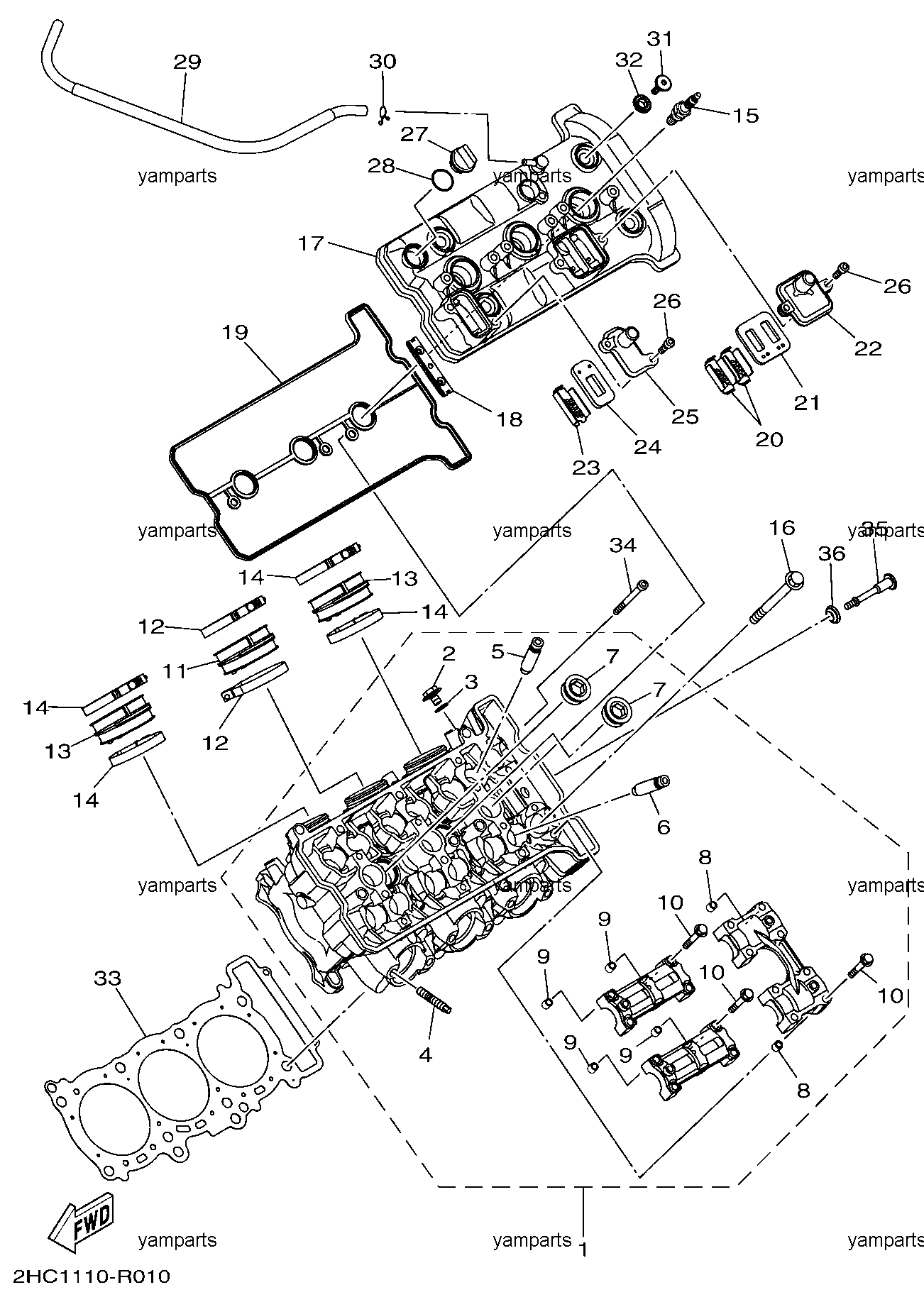
Головка блока цилиндров

Головка блока цилиндров

Вал коленчатый, балансир, поршни

Вал коленчатый, балансир, поршни

Клапаны головки блока

Клапаны головки блока

Валы распределительные, цепь

Валы распределительные, цепь

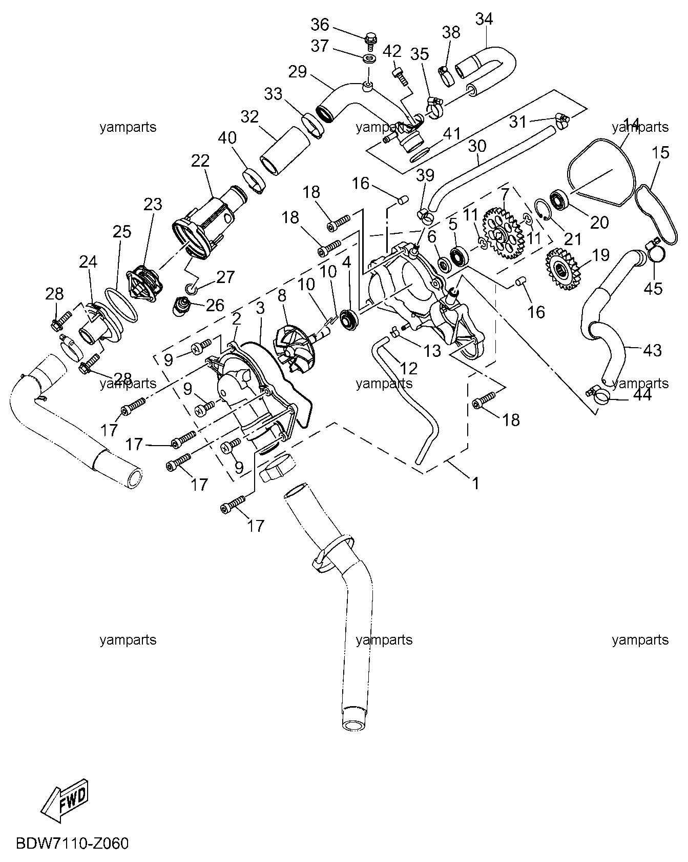
Помпа охлаждения, термостат

Помпа охлаждения, термостат

Радиатор, вентилятор, бачок расширительный

Радиатор, вентилятор, бачок расширительный

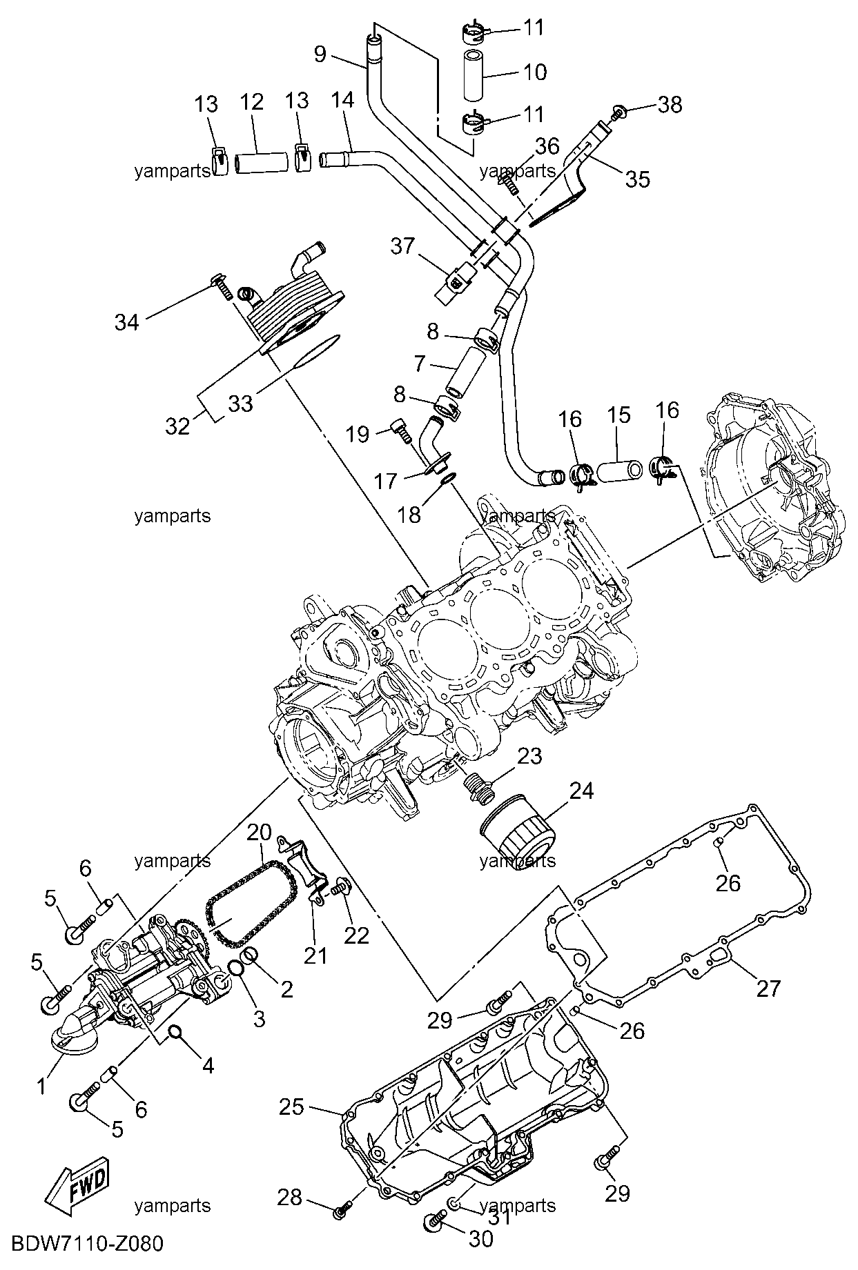
Насос масляный, охладитель, фильтр

Насос масляный, охладитель, фильтр

Детали впуска, фильтр воздушный

Детали впуска, фильтр воздушный

Заслонки впуска, инжекторы

Заслонки впуска, инжекторы

Детали выхлопа

Детали выхлопа

Блок цилиндров

Блок цилиндров

Муфта обгонная ( сцепление стартера )

Муфта обгонная ( сцепление стартера )

Сцепление

Сцепление

Шестерни коробки передач

Шестерни коробки передач

Корпус коробки

Корпус коробки

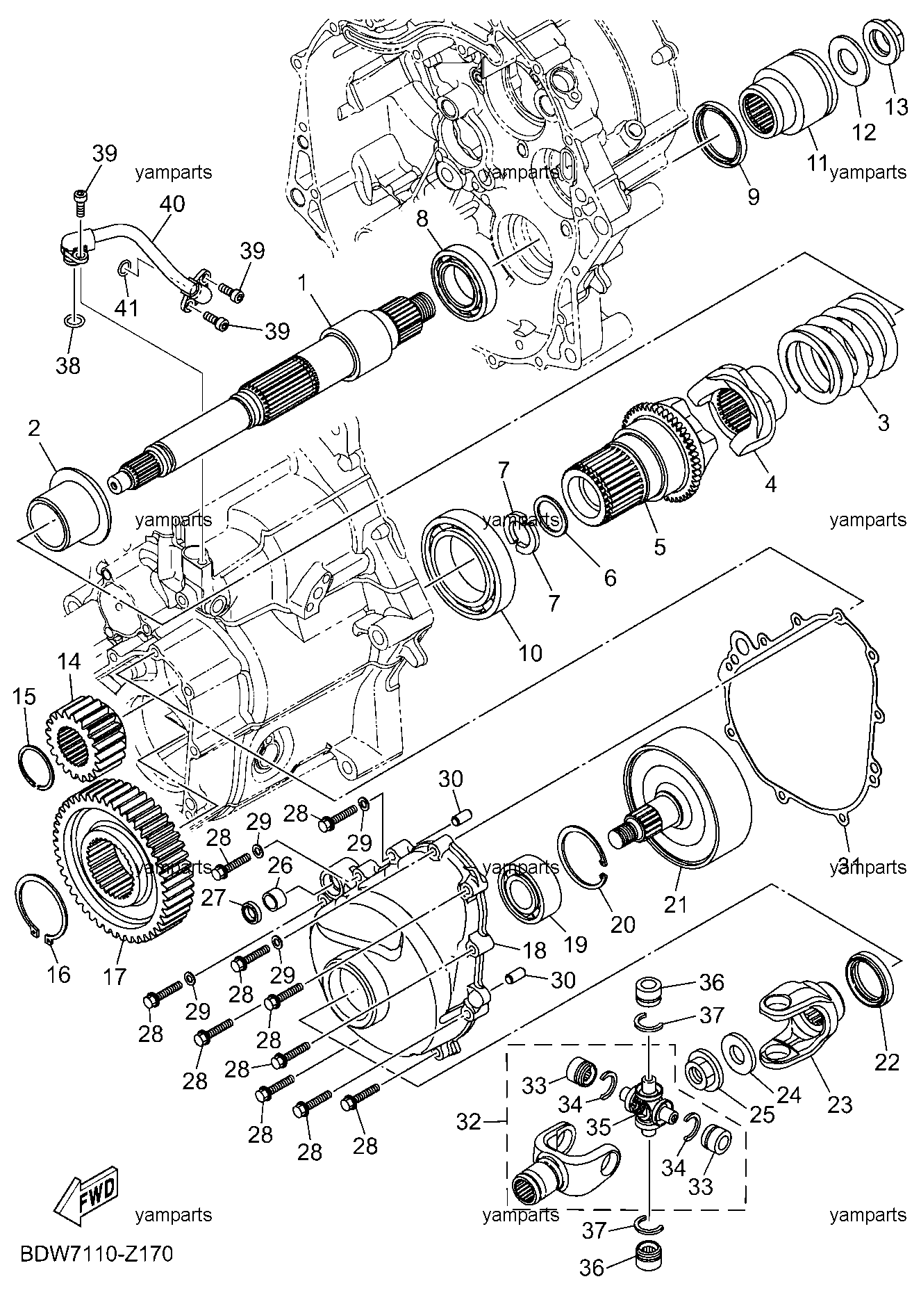
Передача промежуточная

Передача промежуточная

Вал копирный, вилки

Вал копирный, вилки

Ручка переключения передач

Ручка переключения передач

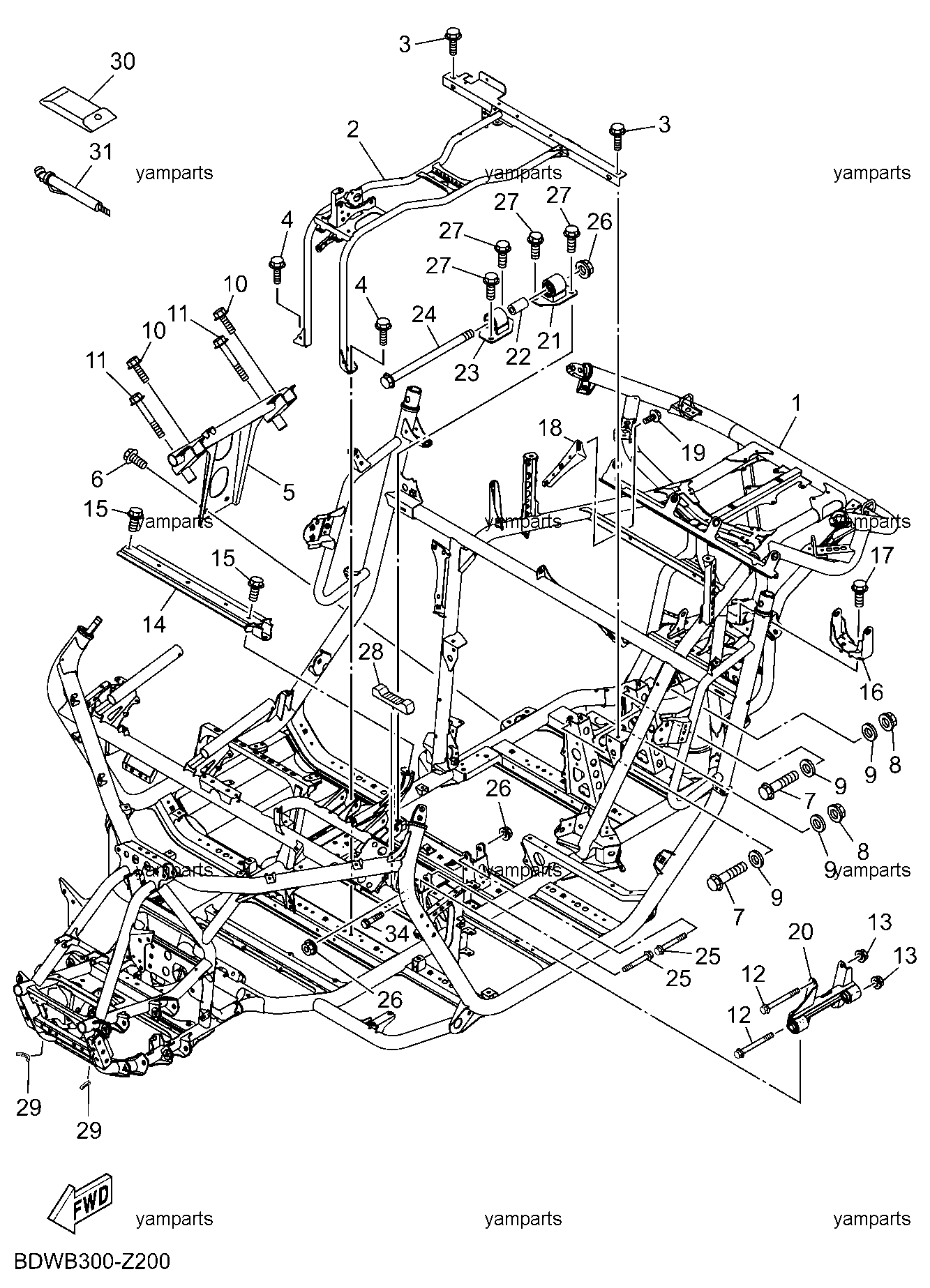
Рама

Рама

Пластик обвеса передний

Пластик обвеса передний

Панели кокпита 1

Панели кокпита 1

Панели кокпита 2

Панели кокпита 2

Дверки кокпита

Дверки кокпита

Бак масляный

Бак масляный

Рычаги задней подвески

Рычаги задней подвески

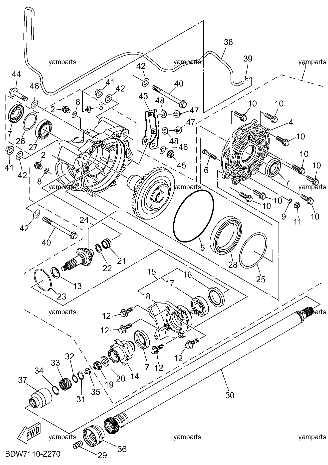
Редуктор задний

Редуктор задний

Редуктор передний

Редуктор передний

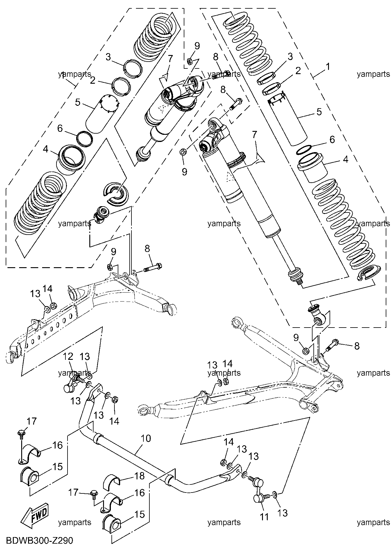
Амортизаторы задние

Амортизаторы задние

Подвеска передняя

Подвеска передняя

Управление рулевое

Управление рулевое

Управление рулевое (руль, усилитель)

Управление рулевое (руль, усилитель)

Бак топливный, насос

Бак топливный, насос

Сиденья

Сиденья

Ремни безопасности

Ремни безопасности

Колесо левое, привод (передние)

Колесо левое, привод (передние)

Колесо правое, привод (передние)

Колесо правое, привод (передние)

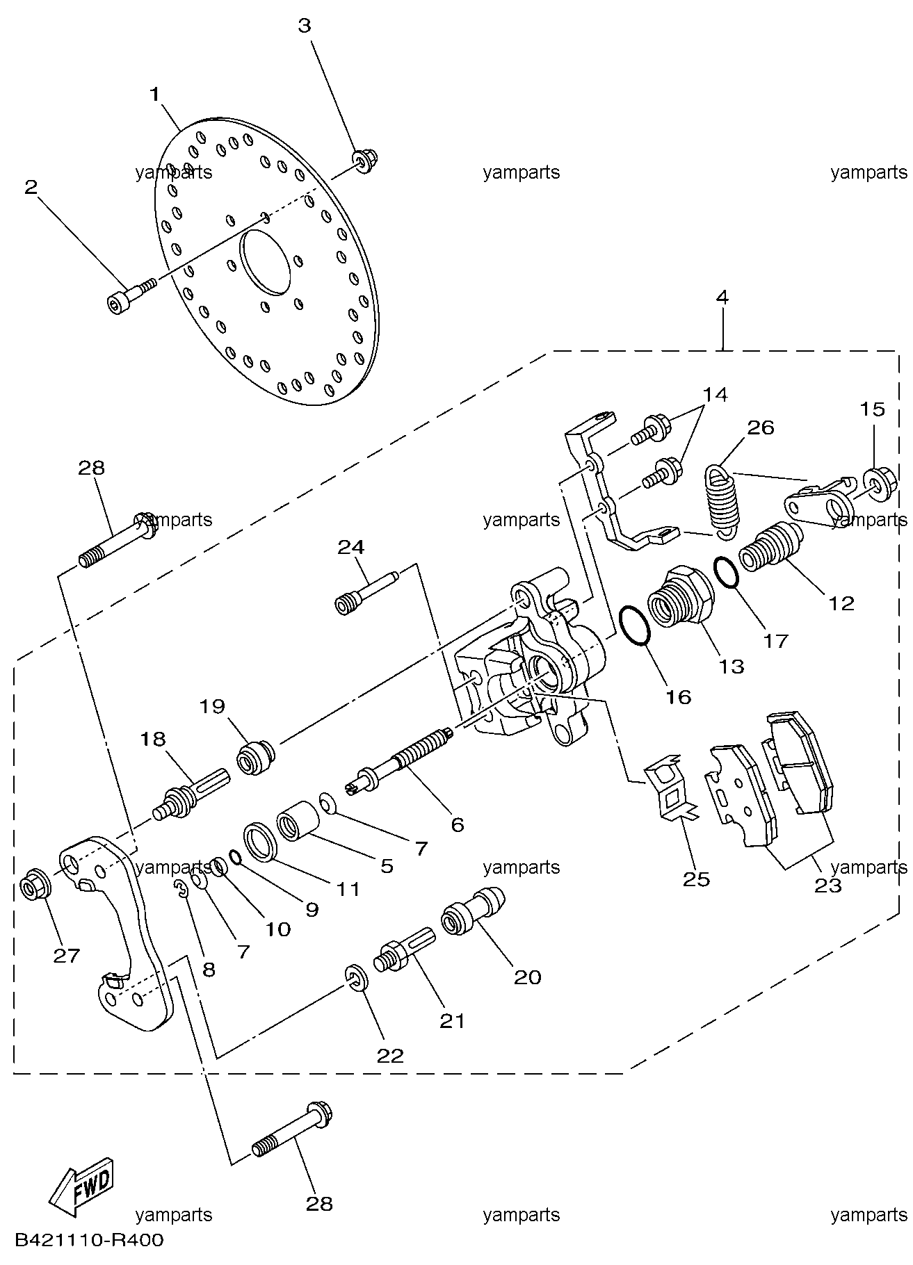
Тормоза передние

Тормоза передние

Колесо левое, привод (задние)

Колесо левое, привод (задние)

Колесо правое, привод (задние)

Колесо правое, привод (задние)

Тормоза задние

Тормоза задние

Тормоз стояночный

Тормоз стояночный

Детали сцепления, педали, "ручник"

Детали сцепления, педали, "ручник"

Детали тормозной системы

Детали тормозной системы

Подножки

Подножки

Багажник

Багажник

Панели задние 1

Панели задние 1

Панели задние 2

Панели задние 2

Защита

Защита

Защита верхняя (крыша)

Защита верхняя (крыша)

Маховик, статор

Маховик, статор

Стартер электрический

Стартер электрический

Панель приборов

Панель приборов

Фары

Фары

Фонарь задний (сигнал "стоп")

Фонарь задний (сигнал "стоп")

Детали электрические 1

Детали электрические 1

Детали электрические 2

Детали электрические 2

Детали электрические 3

Детали электрические 3

Наклейки (графика)

Наклейки (графика)

Наклейки предупреждения

Наклейки предупреждения
© 2012-2025 YamParts
+8 (800) 250-02-27 Справочный центр Бесплатный звонок по России
Политика конфиденциальности
Бесплатная доставка по России
До бесплатной доставки
Почтой России 12000 Р
Запасные части Tohatsu
на сайте www.thparts.ru